Finished product packaging
Solutions inspired by your ideas and our experience
Options
- Additional tables;
- Implementation in the production process;
- Serving several production lines with one package;
- Logistics of packages of products to the place of storage/unloading.
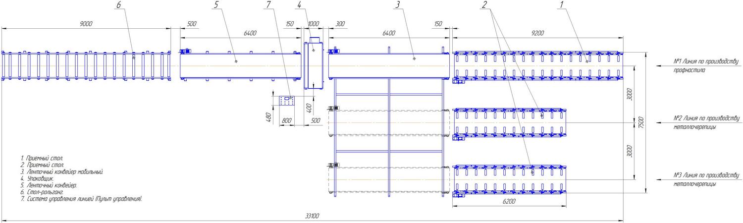
Description of the line
These lines are intended for packing packs of finished products in stretch film (siding, additional elements, corrugated board, metal tiles, etc.). They work in sync with the profile lines. One packaging line can handle several mills.
The Meer Group company manufactures complexes for the storage of finished products, rolls, strips. These solutions allow to reduce the area required for warehousing and storage of products up to 3 times.
Specifications
Processed material
Pre-folded profiles ready for packing and transportation.
Task
Ensure the safety of the paintwork of the profiles during transportation.
Gear
Chain drive from coaxial geared motor
Installed capacity
From 1,5 кWt
Control panel
Установлен на агрегате с дополнительным выносным пультом для управление приводом
Electrical network
Type of current - alternating, three-phase, voltage, V - 380 + -10%, frequency, Hz - 50+-
Packer workmode
Semi-automatic (fixing the edge of the stretch film and moving the pack are done manually, the wrapping mode is switched on by the "Start-Stop" button) - Automatic (packing and movement of the pack are performed simultaneously)
Operating personnel
1 person
Operating personnel
2 persons











