Additional elements Knauf
Solutions inspired by your ideas and our experience
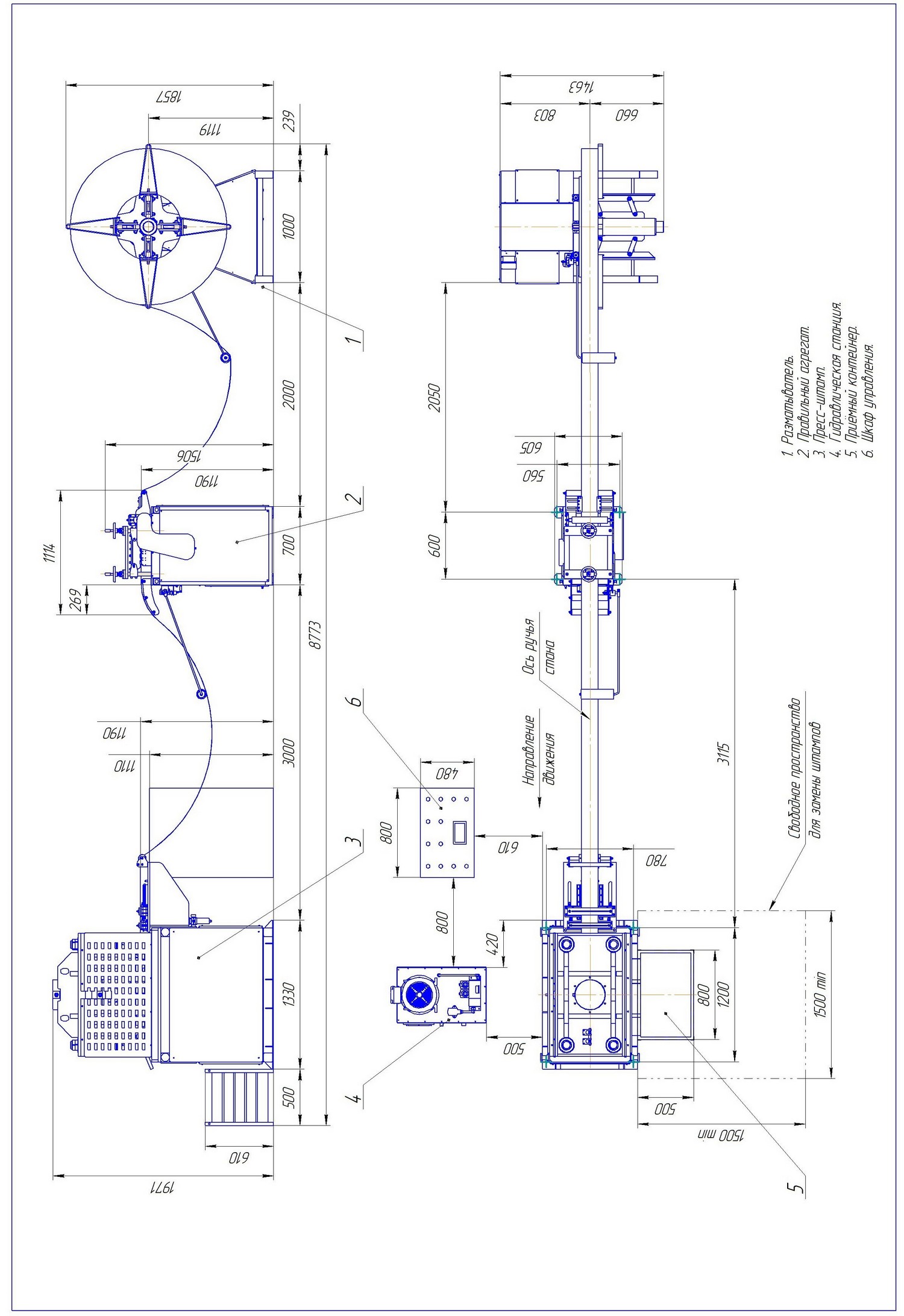
Equipment
Decoiler
1 pc.
Straightening unit
1 pc.
Feeding device
1 pc.
Hydraulic press
1 pc.
Receiving container
1 pc.
Control cabinet
1 pc.
Hydraulic station
1 pc.
Interchangeable press die sets
Options
- Replaceable stamps;
- Fences, sensors, cameras in critical areas, monitors;
- Tracking module (Work, maintenance, simple, remote access, statistics. Tracking the work of the line by management.);
- Logistics and packaging.
Description of the line
The equipment is intended for the production of additional elements of the KNAUF system.
The line is universal, with the possibility of replacing die equipment for the manufacture of the entire line of profiles required for installation.
For production, galvanized steel tape is used, the entire process of production of suspensions takes place automatically.
Specifications
Processed material
Thin-sheet galvanized steel (steel grade 08 PS, application: cold rolled)
Thickness of the processed material
0,4-0,8 mm
Workpiece width
According to drawings
Capacity
40-60 items per minute
Nominal pressing force
Decoiler load capacity
Type of decoiler
Rack driven
Press die type
Hydraulic
Work mode
Semi-automatic
Control cabinet
Provides automatic operation after filling material
Operating personnel
1-2 persons











